

TDB-A(B)N系列智能电动机保护器适用于低压电动机保护
规格型号为:TDB-A(B)N-06和60两款,一体式安装。
技术特点:
◆ 基于MCU的产品/配电盘一体式安装型
◆ 三个集成组装的电流互感器
◆ 过电流、欠电流、缺相、相不平衡、逆相、接地、堵转保护和(4-20mA)电流输出
◆ 数字表和查找故障原因方便
◆ 带有电流幅值指示棒的LED显示屏
◆ 跳闸的时间-电流特性是可选择的
◆ 启动延迟时间和跳闸动作时间是分别调整的
使用范围:
◇ 水泵、风机、空调、电梯、起重机、吊车、机床及其他设备的电动机故障保护
◇ 汽车行业、水处理行业以及各种大型工厂内的电动机故障保护
◇ 替代热继电器使用,具有保护精度高、动作灵敏度高的特点
保护项目:
保护项目 | 动作(跳闸)时间 |
过流 | O-TIME |
缺相 | 3秒 |
堵转 | "DT"后0.5秒 |
锁止 | 0.5秒 |
逆相 | 0.1 ~ 0.3秒 |
相不平衡 | 5秒 |
接地 | 预置的Et时间 |
欠电流 | 预置的Ut时间 |
输出 | 4-20mA |
技术参数:
模式 | 范围 | |
电流设定 | 过电流 | 0.5 ~ 6.3A |
5~63A | ||
超63A外接互感器 | ||
欠电流 | 0.5-60A | |
时间设定 | 启动延迟时间(dt) | 0.2-60秒可调整 |
过电流跳闸延迟(ot) | 定时限:0.2~30秒,反时限:0.2-60秒 | |
欠电流跳闸延迟(ut) | 0.5~30秒,定时限。 | |
控制电压(50/60HZ) | 110±15%, 220VAC±15%, 380VAC±15%, 50/60Hz | |
误差 | 电流 | ±5% |
时间 | ±5% | |
继电器输出 | OL | 2-SPST |
负载 | 3A/250VAC | |
时间-电流特性 | 定时限/反时限 | |
跳闸原因指示 | LED及SSD(Seven Segment Display)综合显示 | |
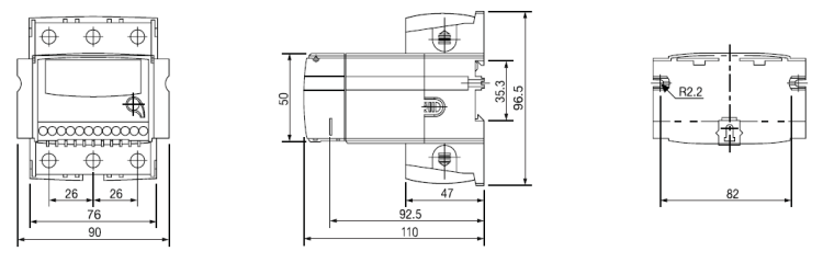
安装方式 | 35mm导轨式/盘装式安装 | |
安装尺寸图:

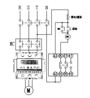
线路图:

Host List
hot news